51pc·mc品茶官网下载_一品楼免费论坛_一品楼 论坛 首页_凤楼信息同城附近

您好!欢迎您访问CMTBA中国机床工具工业协会网站 www.28dao.cn

质量和标准
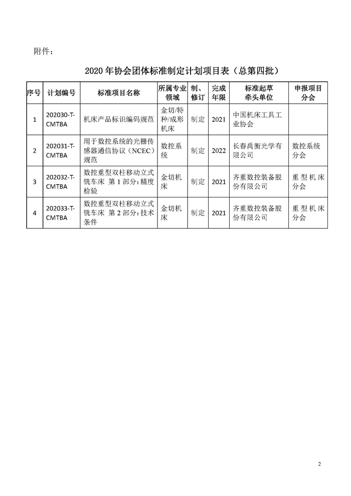
关于下达2020年协会团体标准制定计划项目(总第四批)的通知
发布时间:2020-09-22 08:08:06      来源:中国机床工具工业协会


    

官方微信公众号

扫描关注机床行业最新动态

你知道你的Internet Explorer是过时了吗?

为了得到我们网站最好的体验效果,我们建议您升级到最新版本的Internet Explorer或选择另一个web浏览器.一个列表最流行的web浏览器在下面可以找到.